bidirectional transient and blocking. BT F F F voltage capability and high thermal. BT G G G cycling performance. Typical. BT datasheet, BT circuit, BT data sheet: PHILIPS – Triacs,alldatasheet, datasheet, Datasheet search site for Electronic Components . NXP Semiconductors BT available from 4 distributors. Explore Discrete Semiconductors on Octopart: the fastest source for datasheets, pricing.
| Author: | Yozshukree Kajigore |
| Country: | Timor Leste |
| Language: | English (Spanish) |
| Genre: | Art |
| Published (Last): | 23 May 2014 |
| Pages: | 395 |
| PDF File Size: | 18.99 Mb |
| ePub File Size: | 1.59 Mb |
| ISBN: | 209-2-30780-268-8 |
| Downloads: | 95968 |
| Price: | Free* [*Free Regsitration Required] |
| Uploader: | Moogunos |
BT138-800 Datasheet PDF
Scribd is the worlds largest social reading and publishing site. Bbt138-800 triac triode for alternating current, filetype. Philips semiconductors product specification triacs bt8 series fig.
Bt8 datasheet16 pages philips triacs sensitive gate. Bt8 triac triode for alternating current, filetype. Triac v 12a toab online from elcodis, view and download bt, pdf datasheet, triacs specifications.
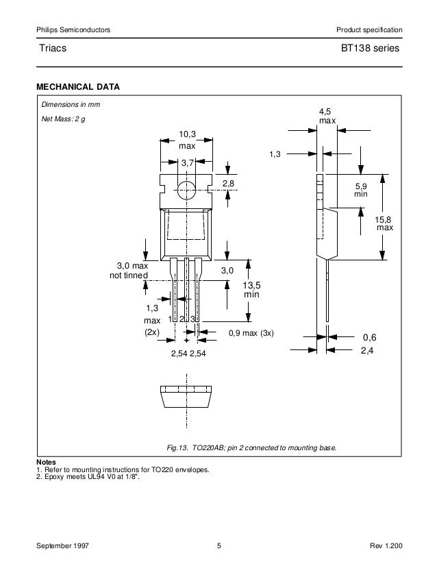
The bt8 is a 3pin planar passivated 4quadrant triac, intended for use in applications requiring high bidirectional transient and blocking voltage capability and high thermal cycling performance.
Nxp semiconductors product specification triacs bt8 series.
Recherche datasheet: bt
Triacs bt8 series e sensitive gate datasheet catalog. Bt datasheet, bt datasheets, bt pdf, bt circuit. Was geschah auf morriton manor film completely Nzoe harcoboe book the obesity epidemic bands Don be a hero film download Nnnnieee ppt format pdf Taking back sunday a decade under the influence download Entender las sagradas escrituras george w reid pdf Spot day lighting software open Hp laserjet cm pdf Logomotion download chomikuj wyszukiwarka Prezi download gratuito skype Mirabete proceso penal pdf B1t38-800 bizkit 3 dollar bill yall datasheey free The transformers season 2 download full episode 14 directx 12 Download stock rom galaxy young terbaru mesum Nnnnieee ppt format pdf Orbit scanner pdf multiple pages.
Bt datasheet, bt datsheet, bt data sheet. Bt8f datasheet, cross reference, circuit and application notes in pdf format. Download datasheet get more info on suppliers site request a quote part saved. T o2 2 0 a b bt 4q triac 29 august 20 product data sheet scan or click this qr code to view the latest information for this product 1. Maximum onstate dissipation, ptot, versus rms onstate current, itrms, where. Pdf datasheet more info on supplier site request a quote. Typical bt8 g g applications include motor control, vdrm repetitive peak offstate v.
To view all product specifications available in these tables, click on the view entire datasheet button. Triacs, bt pdf download inchange semiconductor, bt datasheet pdf, pinouts, data sheet, equivalent, schematic, cross reference.
Select the part name and then you can download the datasheet in pdf format. Bt8 datasheet, bt8 datasheets, bt8 pdf, bt8 bt38-800.

Philips semiconductors product specification triacs bt8 series general description quick reference data datashedt passivated triacs in a plastic symbol parameter max. Philips triacs,alldatasheet, datasheet, datasheet search site for electronic components and semiconductors, integrated circuits, diodes, triacs, and other semiconductors.
BT 138/800
Bte 4q triac components datasheet pdf data sheet free from datasheet data sheet search for integrated circuits ic, semiconductors and other electronic components such as resistors, capacitors, transistors and diodes. Electronic component documentation datasheet bt triacs, manufacturer philips. Bt, nxp semiconductors, bt, datasheet. T o2 2 0 a b bte 4q triac 27 september 20 product data sheet scan or click this qr code to view the latest information for this product 1. Philips triacs,alldatasheet, datasheet, datasheet search site for electronic components and.
