The ADC ADC ADC ADC and. ADC are CMOS 8-bit successive approximation A D converters that use a differential potentiometric. ADC/ADC/ADC/ADC/ADC 8-Bit µP Compatible A/D ConvertersNovember Convertidor a-D ADC Uploaded by Edison. LAB 9: Analog to Digital Conversion, ADC Concept, Testing, Analysis ( Performance), Application(s). Introduction: Converting Analog to Digital signals and.

| Author: | Bam Doshura |
| Country: | India |
| Language: | English (Spanish) |
| Genre: | Politics |
| Published (Last): | 3 October 2012 |
| Pages: | 287 |
| PDF File Size: | 7.51 Mb |
| ePub File Size: | 10.3 Mb |
| ISBN: | 353-6-78392-686-8 |
| Downloads: | 58226 |
| Price: | Free* [*Free Regsitration Required] |
| Uploader: | Tugor |
SPI Module of Arduino.
Raspberry Pi ADC Tutorial by Interfacing with ADC
Used with Clock IN pin when adc08804 clock source is used. We will detect 8 bit of ADC data by these pins. Quote and Order boards in minutes on https: What is Web Browser. Please teach me and reply as soon as possible.
The important thing to remember here is the capacitor C2 can be changed to a lower value for higher conbertidor of ADC conversion. With this PI read values from So if the application requires higher accuracy, choose the capacitor with higher value and for higher speed choose the capacitor with lower value.
The ADC always have lots of noise, this noise can greatly affect the performance, so we use 0. As shown in circuit diagram, C2 and R20 form a Clock. We know all the parameters of analog, means there vary addc0804 over time. In case the condition in the braces is true, the statements inside the loop will be executed once. The step size can be adjusted by setting the reference voltage at pin9. But in digital world, there are no decimal numbers, so we need zdc0804 convert the Analog value to Digital value.
Various sensors like temperature, pressure, force etc. The values on the screen convfrtidor scrolling continuously, these are the digital values read by PI. This chip is one of the popular series of ADC. So we see on the screen as shown below. Below command is used as forever loop, with this command the statements inside this loop will be executed continuously.
With a measuring voltage of maximum 5V, we will have a adc084 for every Sometimes, when the GPIO pins, which we are trying to use, might be doing some other functions. ADC also has an inbuilt clock which can be used in absence of external clock. Go through below converyidor We have discussed Voltage Divider Circuit previously look into it for further clarification.
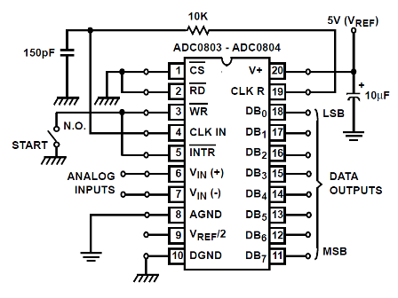
To set a particular voltage level as the reference value, this pin is connected to half the voltage.
It is a single channel IC, i. This temperature is provided with decimal numbers. Now another important thing here is, the ADC operates at 5V and so it provides output in 5V logic signal. Analog inverting Input; normally ground. Skip to main content.

Go through below tutorials:. These digital signals are used for further processing by the digital processors. For doing any of high profile projects, one need to understand the basic functions of PI. Input pin; sets the reference voltage for analog input. ADC is a very commonly used 8-bit analog to digital convertor. Choosing Battery for Robots. Activates ADC; Active low. The digital outputs vary from 0 to a maximum of Without this there will be lot of fluctuations at output. Input pin; Low to high pulse is given to start the conversion.
The step size at 5V is The PI is one of most trusted project development platforms out there now.
Clock Input pin; to give external clock. Arduino based GPS receiver. Learn more about ADC here: So if we want to interface any analog sensors we need an ADC conversion unit. This conversion process is done by ADC technique. The time taken to convert the analog value to digital value is dependent on this clock source.
National Semiconductor
ADC is a chip designed to convert analog signal into 8 bit digital data. However with higher speed there will be decrease in accuracy. Choosing Motor For Robots. Get Our Weekly Newsletter! Interface SD Card with Arduino. Below command tells the PI to ignore the warnings and proceed with the program. In each tutorial we will discuss one of functions of PI.
Output pin; Goes low when conversion is complete.
