Buy OMRON INDUSTRIAL AUTOMATION EE-SX online at Newark element Buy your EE-SX from an authorized OMRON INDUSTRIAL AUTOMATION. EE-SX Omron Automation and Safety Optical Switches, Transmissive, Phototransistor Output TRNS LIGHT-ON/DRK-ON datasheet, inventory, & pricing. Omron EE-SX available from 26 distributors. Explore Sensors on Octopart: the fastest source for datasheets, pricing, specs and availability.

| Author: | Brajinn Fausho |
| Country: | Guadeloupe |
| Language: | English (Spanish) |
| Genre: | Career |
| Published (Last): | 2 September 2015 |
| Pages: | 246 |
| PDF File Size: | 12.20 Mb |
| ePub File Size: | 7.39 Mb |
| ISBN: | 814-7-18126-458-9 |
| Downloads: | 98469 |
| Price: | Free* [*Free Regsitration Required] |
| Uploader: | Kajigrel |
Fluorescent light Ambient temperature Operating: Check Please check the serviceability in your location. Know More Price per piece Rs. Warranty As per Omron’s policy.
Please share your feedback and help us improve! To sign in with your new password, Click here. Shipping charge is the amount collected from customers to partly cover the courier expense incurred in delivering an order.
A wide variety of goods used in shipment, material handling and warehouse including Tape supplies, Stretch film, Truck, Shelf, Crane and more. I saw this product on industrybuying. Thank you for the sc671. How can we improve? Enter Details for faster checkout.
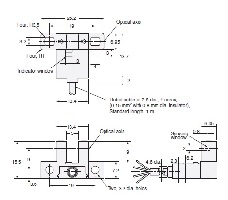
Omron EE-SX671 Slot Photomicrosensor, Shaped-L, Through Beam Sensing
A large variety of goods for every kind of factories and offices including Protection er, Cleaning supplies, sanitations, office supplies and more. A wide variety of tools and supplies used in er including Machine Tools, Measurement Tools, Grinding and Polishing Supplies and more. A wide variety of wiring parts for connecting and protecting control and PC parts including Connectors, Cables, Electric Wires, Crimping Terminals and more.
Shipping charges applicable may vary depending on your pincode and the quantity purchased. Protection circuits Output short-cut protection Response frequency elements 1 kHzmin.
EE-SX Price & Stock | DigiPart
Check serviceability and payment options at your location. A wide variety of standard and configurable components for factory automation engineers in industries such as automotive, semiconductor, packaging, medical and many more. Your feedback is essential for our continuous improvement Please use the inquiry form. Credit Available Apply Now. The charges you see eee your cart is the exact charges that will be applicable based on your pincode, Products and the quantity selected.

What is the maximum shipping charge I will be required to pay? We have sent you an email enclosing confirmation link, on your ID. Luminous method Non-modulated Standard sensing object 2 x 0. Thank you for your time. Same day or more. Get customized price Click here. The maximum shipping charges applicable on any order is Rs. While shipping charge is mostly free, we charge a small amount on select products.

Your feedback is essential for our continuous improvement Privacy Policy. Enter your requirement details! Your password has been reset successfully.

Thank You for your valuable feedback. A good selection of accessories such as screws, bolts, washers and nuts that you sx617 need for your daily engineering usage. Part Number Configured Part Number is shown. Expected price per piece.
Buy Omron VDC mA NPN Photomicro Sensor EE-SX Online in India at Best Prices
The shipping charges you see on the product page is that of the minimum orderable quantity. Add To Purchase List. Email this to a friend or colleague! E bulk orders request an appointment from our sales team. Please enter correct email. Continue Browsing Continue to login. Want more than quantity of this product? Thank you for your cooperation. Thanks for contacting industrybuying!
The shipping charge displayed on the product page and my cart are different? If you have forgotten your Log-in ID and password, click here. Browse industrial materials sz671 from heat insulating plates, sponges, to metal and plastic materials in different sizes to meet your various applications. All Categories Categories Automation Components A wide variety of standard and configurable components for factory automation engineers in industries such as automotive, semiconductor, packaging, medical and many more.
How does it work? Please enter your e-mail address and we will send you a confirmation mail to reset your password.
L terminal open Control output Load power sz671 voltage: This site will be unavailable due to scheduled maintenance from 8: All Same day 3 Day s or Less. Polybutylene phthalate PBT Cover:
